Page :  Home  >  Product > Molded depth indicator > PDH-100  Back

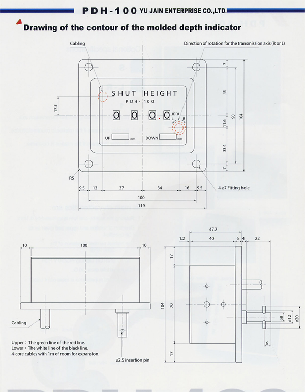
PDH-100

《Product Introduce 》:

Optional specifications
S / L-R / 1
S:Rotate by transmitting with the transmission axis.
L:Number increases if the rotation is counterclockwise.
R:Number increases if the rotation is clockwise.

Its main characteristics are
(1).Rotating the axis by one turn is indicated by 0.1mm.
(2).Direction of rotation and upper and lower limits can be specified.
(3).The highest number of rotation of the stalk is: 1-2000 RPM
(4).MICRO SWITCH capacity AC250 V/15A
(5).Vibrational tolerance:30G
(6).Standard appearance:roast-paint color.



     

PDH-45

PDH-120

PDH-140

PDH-190