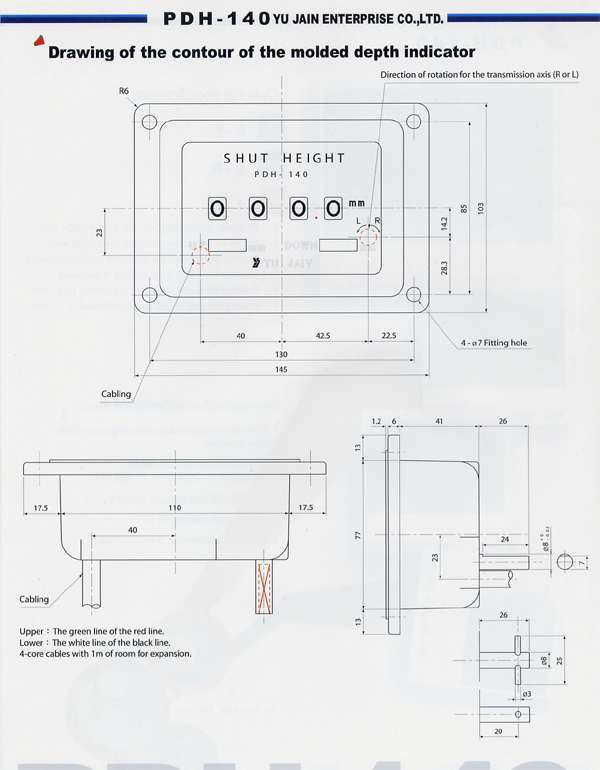
Page :  Home  >  Product > Molded depth indicator > PDH-140  Back

PDH-140

《Product Introduce 》:

Optional specifications
S-F / L-R / 1-2
S:Rotate by transmitting with the transmission axis.
F:Rotate by transmitting with the steel cable wire.
L:Number increases if the rotation is counterclockwise.
R:Nunber increases if the roation is clockwise.
1:Rotating the axis by one turn is indicated by 0.1mm.
2:Rotating the axis by one turn is indicated by 1.0mm.

Its main characteristics are
(1).Direction of rotation and upper and lower limits can be specified.
(2).The highest number of rotation of the stalk is: 1-2000 RPM ; 2-200 RPM.
(3).MICRO SWITCH capacity AC250 V/15A
(4).Vibrational tolerance:30G
(5).Standard appearance:roast-paint color.



     

PDH-45

PDH-100

PDH-120

PDH-190